Click to send email or copy address
orio studios logo

Orio Studios specializes in creative design solutions, including illustration, animation, motion graphics, and surface pattern design. We combine artistic innovation with technical expertise to deliver visually compelling projects.

address Oughterard, Co. Galway Ireland
call now +353 87 293 0614
Let's Talk

Parametric Modelling - Solidworks

Beyond my work in graphic design, I have a deep interest in how things are built. This gallery showcases a year of intensive study in parametric modelling, 3D printing, and CNC manufacture — demonstrating my ability to translate complex mechanical ideas into precise digital and physical models.

While I don’t offer CAD as a freelance service, I am actively seeking a professional role within a company as a CAD/3D Printing Technician. I am also interested in partnering with engineering firms to bring their technical drawings to life through high-end 3D animation and visualization.

Note: The projects below represent 1:1 engineering standards from my college coursework, covering everything from tolerance planning to functional PLA prototyping.

Parametric Design & Assembly

Complex Assemblies, Tolerance Planning & Technical Drafting

SolidWorks 3D model and assembly of a mechanical bench vice by Orla Cahill Galway

Bench Vice - Solidworks Full Assembly Drawing

Detailed orthographic projection and assembly drawing of a bench vice

Bench Vice - Solidworks Assembly Drawing

Technical part drawing and 3D CAD modelling of a C-Clamp body component

C-Clamp Body  - Solidworks Part Drawing

Full mechanical assembly and cross-section drawing of a C-Clamp

C-Clamp - Solidworks  Full Assembly Drawing 

Complex industrial gate valve assembly and 3D modelling project

Gate Valve - Solidworks Full Assembly Drawing

Precision aerospace bracket design with weight-saving topology in Galway

Aerospace Weight Saving Bracket

Prototyping & Fit Testing

From Digital Model to PLA 3D Print & CNC Manufactured Steel

SolidWorks technical drawing for custom tree base prototype

Tree Base- Solidworks Technical Drawing

3D CAD part design of a tree base component for manufacturing

Solidworks Tree Base Part

Technical section view and part slice drawing in SolidWorks

Solidworks Tree Base Part Slice 

Engineering assembly drawing showing tree top and base fitment

Solidworks Technical Drawing Showing Tree Top And Base

Individual tree top part model for 3D printing and steel fabrication

Solidworks Tree Top Part

Rapid prototyping: PLA 3D prints used for physical fit testing

Tree Parts 3D Prints (PLA) For Fit Testing

CNC manufactured steel components for tree base and top assembly

CNC Manufactured Tree Top And Tree Base - Steel

Final assembly of CNC machined steel parts

CNC Manufafctured Parts Assembled - Steel

Engineering Components & Rendering

Functional Mechanical Parts & Photorealistic Product Visualization

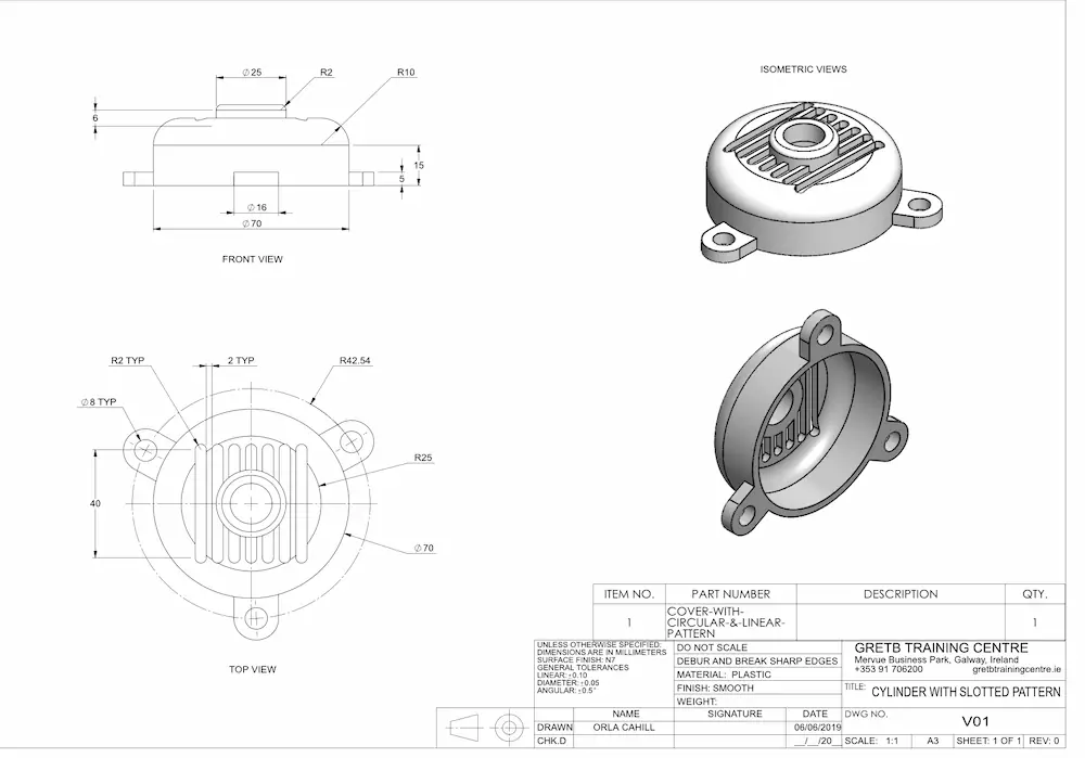
SolidWorks CAD part drawing of a cover with a slotted section

Cover with slotted section - Solidworks Part Drawing

Prototyping a slotted cover using PLA 3D printing from CAD data

Cover with Slotted Section - 3D Print (PLA) from  Solidworks Part Drawing

Underside view of a 3D printed mechanical component for fit check

Cover with Slotted Section (underside) - 3D Print (PLA)

Top perspective view of a 3D printed engineering part for quality inspection

3D Printed (PLA) Parts from Solidworks Drawings

Side profile of the same 3D printed component showing layer precision and fitment

3D Printed (PLA) Part from Solidworks Drawing

Horizontal pulley bracket engineering drawing and design specifications

Horizontal Pulley Bracket - Solidworks Part Drawing

Venturi assembly for Cicada Engine - complex 3D CAD modelling

Venturi Solidworks Assembly - Cicada Engine

Detailed internal assembly view of a Cicada Engine Venturi

Venturi Solidworks Assembly - Cicada Engine

Mechanical Arbor Press assembly drawing with full bill of materials

Arbor Press - Solidworks Assembly Drawing

2-Belt V-Pulley system engineering and SolidWorks assembly

2 Belt V Pulley - Solidworks Assembly Drawing

Technical part drawing for a Cicada Engine cylinder component

Cylinder For Cicada Engine - Solidworks Part Drawing

Photorealistic 3D product render of a Cicada Engine cylinder

Cylinder For Cicada Engine - Solidworks Part Render

Prop Driver technical drawing for engine manufacturing and CNC

Prop Driver For Cicada Engine - Solidworks Part Drawing

High-fidelity 3D visualization and render of a Cicada Engine prop driver

Prop Driver For Cicada Engine - Solidworks Part Render

A Hybrid of Creative & Technical Skills

I am looking to join a team as a CAD/3D Printing Technician or to assist engineering firms with 3D product animations. If you need a dedicated staff member who understands both the precision of SolidWorks and the impact of visual storytelling, I’d love to chat.

Continue Exploring Portfolio

animated star icon links back to home