
Please note that these drawings below have been sized down just for this web viewing purpose.
All original drawings are fully to scale
Bench Vice - Solidworks Full Assembly Drawing
Bench Vice - Solidworks Assembly Drawing
C-Clamp Body - Solidworks Part Drawing
C-Clamp - Solidworks Full Assembly Drawing
Solidworks Tree Base Part Slice
Solidworks Technical Drawing Showing Tree Top And Base
Solidworks Tree Top Part
Tree Parts 3D Prints (PLA) For Fit Testing
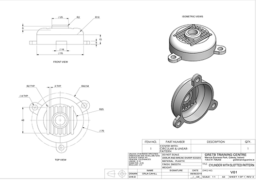
Cover with Slotted Section (underside) - 3D Print (PLA)
3D Printed (PLA) Parts from Solidworks Drawings
3D Printed (PLA) Part from Solidworks Drawing
Horizontal Pulley Bracket - Solidworks Part Drawing
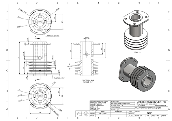
Cylinder For Cicada Engine - Solidworks Part Drawing
Cylinder For Cicada Engine - Solidworks Part Render
Prop Driver For Cicada Engine - Solidworks Part Drawing
Prop Driver For Cicada Engine - Solidworks Part Render